Schaltplan
Pistole
Der Schaltplan ist sowohl im PDF-Format als auch als JPEG-Datei abgespeichert. Der graue Rahmen trennt die Bauteile, die auf der Leiterplatte eingelötet sind, von denen, die im Pistolengehäuse verteilt sind.
Beschreibung
Das wichtigste Bauteil der Pistole ist natürlich der
Mikrocontroller U1, ein MSP430F2011 von Texas Instruments.
Er ist dauerhaft an der Spannungsversorgung, drei AAA-Batterien (G1, G2, G3), angeschlossen. Die maximale
Betriebsspannung laut
Datenblatt beträgt 4,1V. Ich habe hier aber bewußt drei Alkali-Mangan-Batterien verwendet, um genügend Strom in die
IR-LED hineinzubekommen. Bisher hat mir noch kein MSP dies übel genommen.
Programmiert wird U1 über den Stecker JP1.
Es können Programmieradapter von TI verwendet werden. Sowohl die Variante für den Parallelport als auch die für
den USB-Port funktionieren.
Um Platz zu sparen habe ich nicht die Standardbelegung des 2x7-poligen Steckers von TI benutzt, sondern nur einen
einreihigen. Die Pins sind so belegt, daß das Layout optimal gestaltet werden kann. Der eZ430 funktioniert nicht,
da der Kondensator C1 die Programmierung verhindert. Wird das RC-Glied R4/C1 über einen Widerstand von einigen kΩ
an RST angeschlossen, kann auch der eZ430-Adapter verwendet werden.
C1 und R4 sorgen für einen Power-On-Reset. C1 ist beim Anlegen der Batteriespannung leer und sorgt, während er
über R4 aufgeladen wird, für einen niedrigen Signalpegel am Reset-Eingang des Mikrocontrollers.
R7 sorgt dafür, daß der Prozessor im Normalfall nicht in den Test- und
Programmiermodus wechselt. C2 ist ein Abblockkondensator, der für eine niedrige Impedanz der Versorgung des
Prozessors, für hohe Frequenzen sorgt.
Links im Bild sind die drei Taster, die Buchse für den Spezialstecker und die Indikator-LED zu sehen. Für die Taster
sind keine Pull-Up-Widerstände nötig, da sie im MSP vorhanden sind. Die Indikator-LED wird über Widerstand R1 betrieben.
Jedesmal, wenn die LED D4 eingeschaltet wird, kann an Pin P1.6 über den Spannungsteiler R8, R9 die Betriebsspannung
gemessen werden. Das wird für die Batterispannungserkennung genutzt. Dadurch, daß die Messung über den LED-Ausgang
erfolgt, fließt nur in dem Moment Strom durch den Spannungsteiler, solange die LED an ist.
Genau genommen ist diese einfache Schaltung nicht bei allen Exemplaren gleich. Durch die relativ große Schwankung der MSP-internen Spannungsreferenz weichen die Schaltschwellen der einzelnen Pistolen voneinander ab. Wenn man dies vermeiden möchte, muß man für jede Pistole individuell z.B. Widerstand R8 anpassen. Ich habe mir das geschenkt und lebe mit der möglichen Ungerechtigkeit.
Im unteren Teil ist eine einfache Stromquelle aufgebaut. Über Q2 wird Strom durch die Dioden D1 und D2 geschickt.
Der Spannungsabfall an einer Diode entspricht in etwa dem an der Basis-Emitter-Diode von Q1. Daher entspricht die
Spannung an R6 etwa dem Spannungsabfall D1, in etwa 0,7V. Das ergibt einen Strom durch R6 und damit auch durch D3 von
ca. 350mA. Dieser Strom ist von Schwankungen der Betriebsspannung ziemlich unabhängig.
Da Batterien oft einen recht hohen Innenwiderstand haben, ist für den hohen LED-Strom ein Energiespeicher nötig.
C3 mit seinen 1000µF liefert für kurze Zeit den benötigten Strom. Er wird in den Schußpausen über R5 wieder
aufgeladen.
Als letztes ist noch der Detektor U2 an der Rückseite der Pistole zu erwähnen. Durch diesen kann die Pistole
einen Treffer des ihr zugeordneten Ziels erkennen und zeitweise das Schießen unterbinden. U2 kann über P1.5 ein- und
ausgeschaltet werden. Im ausgeschalteten Zustand ist P1.5 auf GND-Potential und
dadurch fließt durch U2 kein Strom.
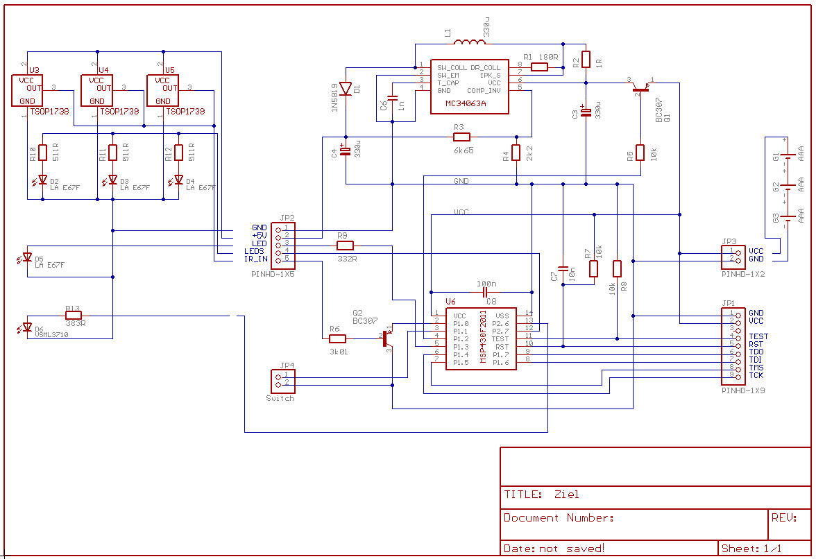
Ziel
Der Schaltplan ist sowohl im PDF-Format als auch als JPEG-Datei abgespeichert.
Beschreibung
Wie schon bei den Pistolen ist auch das Ziel mit einem MSP430F2011 aufgebaut. Der Programmierstecker ist genau so beschaltet wie bei den Pistolen. Auch der Abblockkondensator und die Resetbeschaltung ist identisch.
Im Gegensatz zu den Pistolen sind zum Betrieb des Ziels nicht unbedingt Alkali-Mangan-Batterien notwendig. Es können auch NiMH-Akkus verwendet werden. Der Mikrocontroller arbeitet ohne Probleme bis herab zu einer Spannung von 3V, für den Rest sorgt der Spannungswandler der weiter unten beschrieben ist.
An drei Positionen auf der Mütze sind die Infrarotdetektoren U3, U4 und U5 angebracht. Sie besitzen Open-Kollektor-Ausgänge,
die miteinander verbunden sind. Leider benötigen die Detektoren eine Betriebsspannung von 5V, die mit Batterien oder Akkus
nicht so einfach in der nötigen Qualität zu realisieren ist. Daher ist ein Spannungswandler aufgebaut,
der aus den ca. 4V des Mikrocontrollers 5V macht.
Direkt bei den Detektoren sind jeweils leuchtstarke LEDs D2, D3 und D4 angebracht. Sie signalisieren durch Blinken einen eventuellen Treffer. Jede hat ihren eigenen Vorwiderstand. Die LEDs werden direkt von einem Ausgangspin des Prozessors gespeist. Wegen der gewünschten breiten Abstrahlcharacteristik sind die Typen LA E67F von Osram verwendet, deren SMD-Gehäuse hier eher hinderlich ist.
Seitenanfang
Am vorderen Ende des Mützenschirms befinden sich zwei weitere LEDs. D5 ist die Trefferanzeige für den Träger der Mütze. Sie
blinkt mit den oben genannten Treffer-LEDs bei einem Treffer. Sie zeigt aber nach dem Verlöschen der allgemein sichtbaren
Treffer-LEDs durch kurze Lichblitze an, daß man noch einige Zeit unverwundbar ist. Der Vorwiderstand für diese LED ist R9.
Es ist auch der Platine untergebracht.
Die zweite LED am Mützenschirm strahlt infrarotes Licht ab und kann die Pistole für eine gewisse Zeit außer Kraft setzen. Da sie erst später in die Schaltung aufgenommen wurde, ist ihr Vorwiderstand R13 nicht auf der Platine, sondern auch auf dem Schirm angebracht.
Wie schon erwähnt müssen für die Infrarotdetektoren 5V erzeugt werden. Das geschieht mit dem Schaltregler MC34063A. Dieses
kostengünstige IC erzeugt mit Hilfe der Spule L1 aus der Batteriespannung eine stabile 5V-Versorgung. Es werden weniger als
20mA gebraucht, was durch diese Schaltung locker erreicht wird. Der Ausgang des Schalreglers ist an der Kathode von Diode D1.
Die Ausgangsspannung wird durch C4 gesiebt. Am Eingang sorgt C3 für einen niedrigen Innenwiderstand der Versorgung des
Schaltreglers. Der Spannungsteiler R3 und R4 bestimmen die zu erzeugende Ausgangsspannung. Der Schaltregler kann über den
Eingang COMP_INV die Ausgangsspannung messen und darauf regeln.
Da der Schaltregler keinen Eingang zum Abschalten besitzt, wird er über den Transistor Q1 versorgt. Dieser kann über R5
abgeschaltet werden, so daß der Betriebsstrom praktisch auf 0 absinkt.
Weil die Infrarotdetektoren mit 5V betrieben werden und Open-Kollektorausgänge besitzen, werden sie über Q2 und R6 an
den Mikrocontroller angeschlossen. Die innere Beschaltung der Detektoren ist im Datenblatt nicht klar genug beschrieben
um sicher zu sein, daß hier nie die 5V erschheinen können. Diese könnte aber den Mikrocontroller beschädigen.
Verbesserungspotential
Wie schon erwähnt, standen mir zu Beginn keine IR-Detektoren für 3V Betriebsspannung zur Verfügung. Ich habe die Schaltung im Nachhinein nicht geändert, da sie ja problemlos funktioniert. Sollte es aber nötig sein weitere Mützen zu bauen, so würde ich den ganzen Kram um den MC34063A weglassen und die IR_Empfänger direkt an den Mikrocontroller anschließen. Auch der Transistor Q1 kann dann natürlich entfallen, genauso Q2. Die Software müßte die andere Polarität zum Einschalten der Versorgung der Detektoren berücksichtigen (Q1 ist eingeschaltet, wenn der Prozessor eine 0 ausgibt).
Seitenanfang
